Kontakty

Mosadz, oceľ, závitové spojky a redukcie

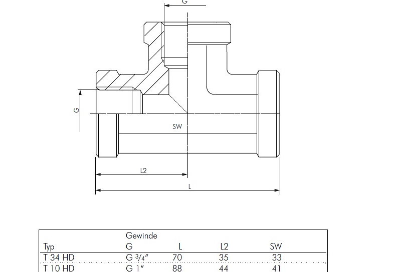
FITING POZINK. OCEĽ T90° PN do 350 Bar - Vysokotlakové prevedenie T 3x vnútorný závit G

Podrobný popis:

Univerzálna spojka s palcovými (Whitworth ISO 228) vnútornými závitmi pre oleje, plyny alebo paliva. Všetky údaje sa rozumejú ako nezáväzné, smerné hodnoty! Za výber údajov nepotvrdených písomne ​​nepreberáme žiadnu záruku. Údaje o tlaku sa vzťahujú, pokiaľ nie je uvedené inak, ku kvapalinám skupiny II pri +20°C.

 

Parametre:

Pracovná teplota: -30°C až +250°C
Bezpečnosť: 4 : 1
Materiál tesnenia: -
Médium: Oleje, kvapaliny, plyny, paliva
Skrátená poznámka: GAS - Rúrkové závity pre spoje tesniace na závitoch ISO 228-1
Použitie produktu: Hydraulická spojka tvaru T pre vysokotlakové spojenie hadíc.
Materiál produktu: Pozinkovaná oceľ

Nákupný kód Vnútorný závit Pracovný tlak DN Balenie  
0034189006 3x G1/4" 350 bar 8 mm 1 ks
ks
0034189010 3x G3/8" 250 bar 10 mm 1 ks
ks
0034189013 3x G1/2" 225 bar 13 mm 1 ks
ks
0034189034 3x G3/4" 200 bar 22 mm 1 ks
ks
0034189100 3x G1" 160 bar 25 mm 1 ks
ks
0034189120 3 x G5/4" 160 bar 30 mm 1 ks
ks
0034189230 3 x G6/4" 160 bar 38 mm 1 ks
ks
0034189300 3x G2" 100 bar 48 mm 1 ks
ks

Mosadz, oceľ, závitové spojky a redukcie

SPOJKA AG MS - Spojka, fiting, priama s vonkajším G závitom, závitová vsuvka

SPOJKA AG MS - Spojka, fiting, priama s vonkajším G závitom, závitová vsuvka
  • Pracovná teplota: -30 až 270 °C
  • Materiál: Mosadz MS 58
  • Médium: Voda a kvapaliny
  • Norma výrobku: NoN
Vybrať variantu

PNEUMATIK HRDLO AG - Závitová spojka vonkajší G závit

PNEUMATIK HRDLO AG - Závitová spojka vonkajší G závit
  • Pracovná teplota: -30 až 250 °C
  • Materiál: Mosadz
  • Médium: Oleje, voda, vzduch, kvapaliny, chemické roztoky
  • Norma výrobku: ISO 228/ DIN 2999, REACH, RoHS
Vybrať variantu

SPOJKA AG MS/IND - Mosadzná, robustná závitová spojka (redukcia) PN 16 Bar

SPOJKA AG MS/IND - Mosadzná, robustná závitová spojka (redukcia) PN 16 Bar
  • Pracovná teplota: -30 až 250 °C
  • Materiál: Mosadz
  • Médium: Oleje, voda, vzduch, kvapaliny, chemické roztoky
  • Norma výrobku: ISO 228-1G
Vybrať variantu

SPOJKA MUFŇA IG MS - Spojka priama s vnútorným závitom BSPP

SPOJKA MUFŇA IG MS - Spojka priama s vnútorným závitom BSPP
  • Pracovná teplota: -30 až 250 °C
  • Materiál: Mosadz
  • Médium: Voda a kvapaliny
  • Norma výrobku: NoN
Vybrať variantu
Zobraziť všetky produkty
Ako nakupovať

Aby ste si mohli vyžiadať cenovú ponuku na produkty, je potrebné sa najskôr zaregistrovať. Registráciou získate množstvo výhod. Vždy sa vám uloží pod váš účet nákupný košík a tak sa vám nikdy nevymaže. Budete mať prístup k histórii vašich dopytov a možnosť opätovného nákupu. Takisto sa vám uložia vaše firemné resp. kontaktné údaje.

© 2026 HADICE FLEX, s.r.o. | Všetky práva vyhradené | Tvorba webstránok Infinity Reklama & Jakub Živný